
齿轮齿条双活塞对称结构设计,动作快速平稳,精度高,输出功率大,
多功能位置指示器,现场可视化指示,符合VID/VIE3845、NAMUR标准槽,能安装并输出所有附件,如限位开关盒、电气定位器、位置传感器,
乐发Vll气源接口符合NRMAR标准,可直接安装NUMAR标准电磁阀,
乐发Vll连接部分符合全新国际标准规范IS05211,DIN3337(FO3-F25)使产品安装具有互换性、通用性。


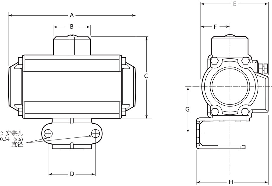
尺寸仅供参考,可能会有变动。

90°执行器尺寸

180°执行器尺寸

单作用式输出扭矩(Nm)

双作用式输出扭矩(Nm)

气动执行机构装配阀门选型

气动执行机构选型

